對于美標截止閥,想必大家已經不陌生了,這是一種結構設計的閥門產品,比如采用上裝式的結構設計可直接對產品進行檢查和維修,單閥座的設計消除閥門中腔介質因異常升壓而影響的安全問題,低扭矩結構設計可輕松啟閉,自清潔的密封面結構更是受到了廣大用戶的好評。
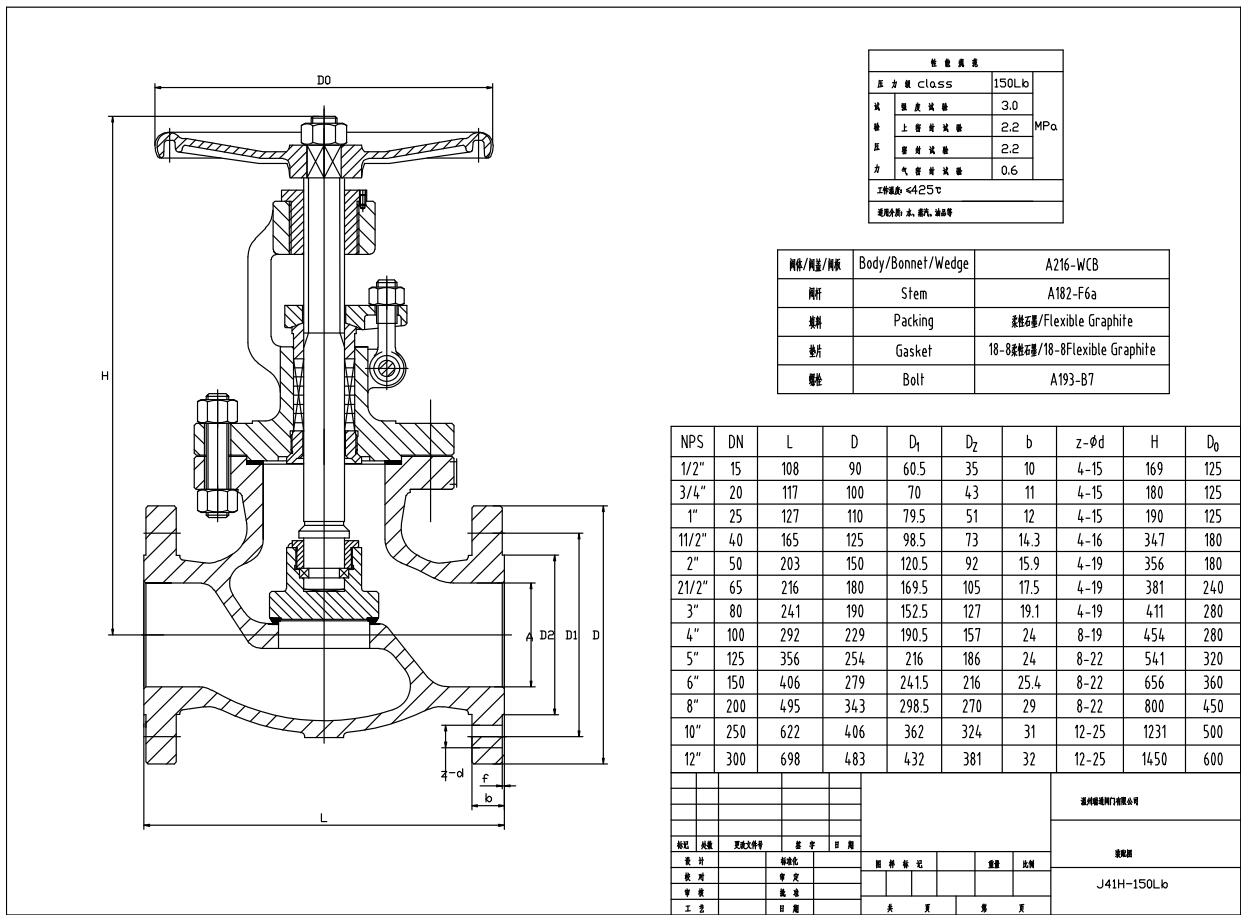
美標截止閥主要是安裝在管道上的,需要水平安裝,而對于良越美標截止閥的裝配,可能很多人不是很的了解,下面放出一張美標截止閥的裝配圖供大家參考:

美標截止閥裝配圖詳情可下載附件查看:點此下載
良越美標截止閥的標準說明如下:
名稱:美標截止閥
設計標準:BS1873 JIS B2071-2081
結構長度:ANSI B16.10,JISB2002
配管法蘭:ANSI B16.5、JIS B2212-2214
對焊端尺寸:ANSI B16.25
檢驗與試驗:API598、JIS B2003
傳動方式:手動、電動、傘齒輪動
• 下一篇:美標鑄鋼止回閥和鍛鋼止回閥工藝分析
• 上一篇:美標截止閥主要的作用